You're viewing spare parts for: Grohe Atrio Two Handle Sink Mixer 1/2" - Brushed Hard Graphite (30362AL0)
- Grohe 30362AL0
- 9 spares listed
- Brand: Grohe
- SKU / MPN: Grohe 30362AL0
- Categories: Grohe Spare Parts
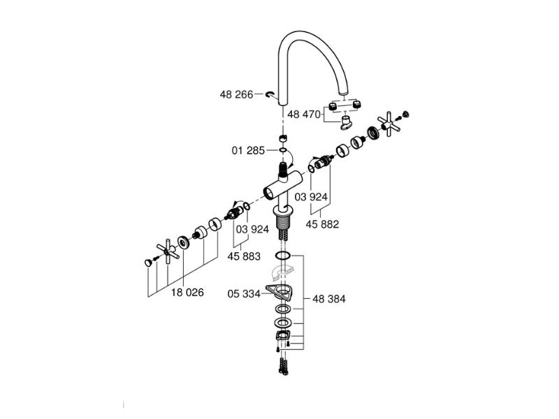
All available replacement spare parts to fit the Grohe Atrio Two Handle Sink Mixer 1/2" - Brushed Hard Graphite (30362AL0).
Use the main diagram to identify the spare part(s) that need replacing. Then use the table below to locate the relevant part(s).
Need any help or not what you're looking for? Try the Shower Spares Finder or you can contact us.
-
There are 9 currently available spares for the Grohe Atrio Two Handle Sink Mixer 1/2" - Brushed Hard Graphite (30362AL0).
These are sorted by diagram reference first (if available) and then by product code in numerical / alphabetical order:
RRP: £0.95 + VATInfoRRP: £28.71 + VATInfoRRP: £18.53 + VATInfoRRP: £3.89 + VATInfo18026AL3Grohe Atrio Cross Handles - Brushed Hard Graphite (18026AL3)
Please login to view stock levels and trade prices.RRP: £363.38 + VATInfo45882000Grohe 1/2" Carbodur 1/4 Turn - Cold (45882000)
Please login to view stock levels and trade prices.RRP: £37.95 + VATInfo45883000Grohe 1/2" Headpart/Flow Cartridge - 1/4 Turn - Hot (45883000)
Please login to view stock levels and trade prices.RRP: £43.55 + VATInfoRRP: £10.10 + VATInfo48384000Grohe Shank Fastening Assembly (48384000)
Please login to view stock levels and trade prices.RRP: £14.66 + VATInfo
