You're viewing spare parts for: Grohe Minta Single Lever Sink Mixer - Chrome (32321002)
- Grohe 32321002
- 8 spares listed
- Brand: Grohe
- SKU / MPN: Grohe 32321002
- Categories: Grohe Spare Parts
All available replacement spare parts to fit the Grohe Minta Single Lever Sink Mixer - Chrome (32321002).
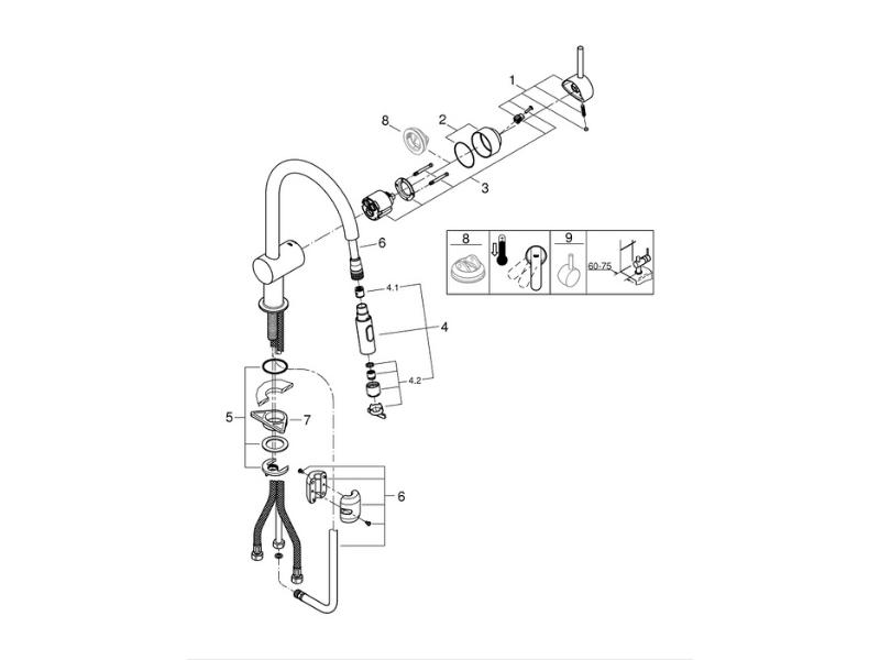
Use the main diagram to identify the spare part(s) that need replacing. Then use the table below to locate the relevant part(s).
Need any help or not what you're looking for? Try the Shower Spares Finder or you can contact us.
-
There are 8 currently available spares for the Grohe Minta Single Lever Sink Mixer - Chrome (32321002).
These are sorted by diagram reference first (if available) and then by product code in numerical / alphabetical order:
Ref. 1 46015000Grohe Minta Tap Lever - Chrome (46015000)
Please login to view stock levels and trade prices.RRP: £53.61 + VATInfoRef. 2 46025000Grohe Shield for Cross Handle - Chrome (46025000)
Please login to view stock levels and trade prices.RRP: £29.06 + VATInfoRef. 3 46048000Grohe Manual Lever Cartridge Assembly (46048000)
Please login to view stock levels and trade prices.RRP: £57.85 + VATInfoRef. 4.1 08565000Grohe non-return valve (08565000)
Please login to view stock levels and trade prices.RRP: £5.57 + VATInfoRef. 5 46345000Grohe Shank Mounting Kit (46345000)
Please login to view stock levels and trade prices.RRP: £19.84 + VATInfoRef. 6 48293000Grohe Pull Out Hose And Weight (48293000)
Please login to view stock levels and trade prices.RRP: £42.18 + VATInfoRRP: £3.89 + VATInfoRef. 8 46375000Grohe temperature limiter (46375000)
Please login to view stock levels and trade prices.RRP: £11.65 + VATInfo
