You're viewing shower spares for: Grohe Rainshower System 210 bar mixer shower (27032000)
- Grohe 27032000
- 13 spares listed
- Brand: Grohe
- SKU / MPN: Grohe 27032000
- Categories: Grohe Shower Spares
All available shower spares/replacement parts to fit the Grohe Rainshower System 210 bar mixer shower (27032000).
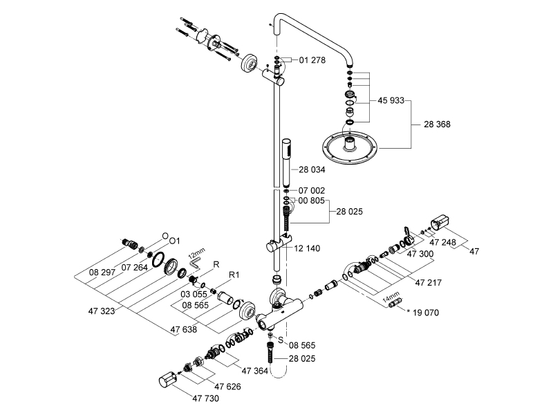
Use the main diagram to identify the shower spare(s) that need replacing. Then use the table below to locate the relevant part(s).
Need any help or not what you're looking for? Try the Shower Spares Finder or you can contact us.
-
There are 13 currently available spares for the Grohe Rainshower System 210 bar mixer shower (27032000).
These are sorted by diagram reference first (if available) and then by product code in numerical / alphabetical order:
RRP: £12.29 + VATInfoRRP: £5.57 + VATInfo12140000Grohe Euphoria Rainshower 22mm shower head holder - chrome (12140000)
Please login to view stock levels and trade prices.RRP: £51.15 + VATInfo14014000Grohe short projection shower arm (14014000)
Please login to view stock levels and trade prices.RRP: £63.05 + VATInfoRRP: £37.29 + VATInfo47217000Grohe thermostatic cartridge (47217000)
Please login to view stock levels and trade prices.RRP: £61.77 + VATInfo47239000Grohe Tenso temperature control handle - chrome (47239000)
Please login to view stock levels and trade prices.RRP: £148.46 + VATInfo47248000Grohe temperature handle fixing kit (47248000)
Please login to view stock levels and trade prices.RRP: £13.83 + VATInfoRRP: £24.56 + VATInfo47323000Grohe union connection set (single) (47323000)
Please login to view stock levels and trade prices.RRP: £70.05 + VATInfo47364000Grohe Aquadimmer - Diverter/Flow Cartridge On/Off (47364000)
Please login to view stock levels and trade prices.RRP: £106.87 + VATInfo47730000Grohe shut off handle - chrome (47730000)
Please login to view stock levels and trade prices.RRP: £55.83 + VATInfo47887000Grohe diverter race waterway (47887000)
Please login to view stock levels and trade prices.RRP: £23.21 + VATInfo
